This website uses a variety of cookies, which you consent to if you continue to use this site. You can read our Privacy Policy for details about how these cookies are used, and to grant or withdraw your consent for certain types of cookies.
Skip to main content

The 1-Inch Parshall Flume

The 1-inch Parshall Flume is the smallest of the 22 standard Parshall flume sizes. The small size means that it is relatively limited in its use.

1-inch Parshall Flumes cannot be used on unscreened sanitary flows as they will clog. The 3-inch Parshall Flume is the smallest Parshall that can be used to measure these flows.

Applications

While somewhat limited in its uses, the 1-inch Parshall Flume can measure:

  • Dam seeps
  • Industrial pre-treatment
    • Clean flows
  • Acid mine discharge
  • Smaller surface waters
    • Creeks
    • Furrows
    • Ditches

Configurations

The 1-inch Parshall Flume is available in different configurations:

  • Standard (transitions by others)
  • End adapters (connecting to pipes and flanges)
    • Stubs and flanges up to 10-inches [25.4 cm] can be accommodated
    • Staged end adapters to fit into existing manholes
  • Enclosures (factory mounted into above ground fiberglass enclosures)
  • Metering manholes (factory integration of a flume into a fiberglass manhole)
    • 1-inch Parshall Flumes can be integrated into manholes 4-feet [1.22 m] and larger in diameter
  • Wing Walls
    • To span rectangular channels
fiberglass 1-inch parshall flume with staff gauge and remote stilling well connection

Flume Accuracy

Under laboratory conditions, a Parshall Flume can be accurate to within +/-2% - practically speaking; however, once approach conditions, installation errors, and construction tolerances are considered, the flume's free-flow accuracy is normally closer to +/-5% (ASTM D1941).

A flow equation is available to correct for submerged flow in Parshall Flumes - the equation is universal, allowing the calculation of both free and submerged flows.

Settlement or shifts out of level can be corrected.

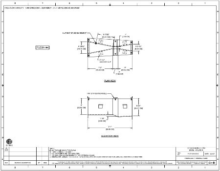
Flume Dimensions

fiberglass 1-inch parshall flume dimensions thumbnail

Parshall flumes - small and large - are not to be considered scale models of each other. Openchannelflow recommends against using intermediate or untested sizes.

Smaller Parshall Flumes (1, 2, 3-inch sizes) do not have standardized sidewall heights. Openchannelflow's 1-inch Parshall has a standard sidewall height (at the primary point of measurement - Ha) of 9-inches [22.86 cm].

Free-Flow Equation

The free-flow equation for Parshall Flumes is:

Equation — Parshall Flume Free-flow

Q = free flow rate (cfs / m3/s)
K = flume discharge constant (varies by flume size / system of units)
Ha = depth at the point of measurement (feet / meters)
n = discharge component (dimensionless, depends upon flume size)

For the 1-inch Parshall Flume:

Minimum Head (ft) 0.05 Minimum Head (m) 0.0152
Minimum Flow Rate (cfs) 0.0033 Minimum Flow Rate (l/s) 0.0921
Maximum Head (ft) 0.70 Maximum Head (m) 0.2134
Maximum Flow Rate (cfs) 0.1945 Maximum Flow Rate (l/s) 5.507
Equation (cfs, ft) 0.338*H1.55 Equation (l/s, m) 60.36*H1.55

Discharge Table

The free flow discharge table for the 1-inch Parshall is available for download.

The table provides:

  • Top-down view of the flume with the Ha (primary point of measurement) shown
  • Discharge equations in SI and Imperial units
  • Flume's accuracy
  • Submergence Transition (St)
  • Source for the table's information

Materials

Openchannelflow offers the 1-inch Parshall Flume in four different materials:

Of these materials, fiberglass is the most easily customized.

Submergence Transition

The Submergence Transition (St) of a flume is that point at which the downstream conditions sufficiently reducer the discharge out of the flume that the indicated flow rate needs to be corrected.

Equation — Flume Submergence Transition

S = submergence ratio
St = submergence transition
Ha = depth at the point of measurement (feet / meters)
Hb = depth at the point of measurement (feet / meters)

The Submergence Transition for the smaller Parshall Flumes (1, 2, 3-inch) is 50%. At this point and the discharge needs to be adjusted to reflect the actual flow rate.

Related Blog Posts

  • Expert Insights

    The 2-Inch Parshall Flume

  • Expert Insights

    The 3-Inch Parshall Flume

  • Expert Insights

    The 6-Inch Parshall Flume

Explore more insights in our blog.

LOCATIONS IN ATLANTA, GA & BOISE, ID

Start your project today